RJX-601をリアルタイムに使っていた世代ではないのですが、パネルのかっこよさに惚れて、2台持っています。
左下のブランド名が全部大文字の「NATIONAL」なのが前期型、1文字目だけ大文字の「National」なのが後期型だそうですね。
右は、有名な「棺桶マイク」。後期型に付属していました。左のマイクはこれより一回り大きいもので、私が入手した前期型に付属していたものです。ネットでもほどんど見かけず、詳細がよくわかりません。最初期はこれだったのでしょうか。

RJX-601前期型の修理
この前期型はヤフオクで落としたのですが、前の持ち主の方、発売開始直後に購入され、大事に持ち続けられたあと、終活で手放されたようです。思いが伝わってきました。
この大事な前期型ですが、ある週末の1エリア6mAMロールコールにチェックインしようとしたところ、キャリアは出るのですが変調が乗らないことに気づきました。FMでは正常に送信できます。
検索してみると・・・さすが、RJX-601にむちゃくちゃ詳しい畏友JG1BVX局のブログに手がかりがありました。
「キャリアは出るけど変調が乗らない・・・・」RJX-601はAF回路を送受信で兼用しているため、受信ができて、FMが送信できて、AMが送信できないとなると、疑わしきところは2箇所のみ。一つはコレクタ変調回路上の線路の異常。もう一つはAM/FM切替SWの後ろからAM変調回路に至る線路の異常。
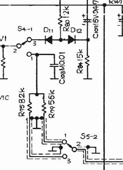
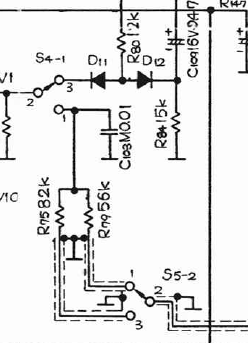
「コレクタ変調回路上の線路の異常」のチェックはなんとなく大変そうなので、まずは後者を攻めてみます。AM/FM切り替えスイッチ(S4-1)から出ている線にテスタを当てていきますが断線はなさそうです。回路図を見てみると、AM/FM切り替えスイッチ(S4-1)からRF出力切り替えスイッチ(S5-2)につながる回路があります。

試しに、RF出力切り替えスイッチに接点洗浄液を掛けてみると、AMに変調が乗るようになりました。
ダイヤルの周波数が大きくずれていたので、テクニカルガイドに従い、メインダイヤルのウラあたりにあるL5とC32を調整します。周波数カウンタがなくても、IC-7300Mとの鳴き合わせでなんとかなりました。

RJX-601後期型の調整・改造
ついでに、もう1台のRJX-601(後期型)の周波数ズレも調整。
さらに、思い切って長年の懸案に手を付けます。
キャリブレーショントーンの51MHz化。下の写真のX2を29MHzの水晶から30MHzの水晶に交換。半田面からの配線図があるのでとってもラクです。これで、51MHz/FMの呼び出し周波数にゼロインできるようになります。

この水晶、いつ買ったものかもう忘れてしまいました(それだけ長年温めていました。)。

FMナロー化。BVXさんのお告げを信じます。
FMナロー化はとても簡単。以前QEXに掲載されていた方法です。R80の抵抗(12kΩ)を68kΩに替えるだけ。あとはT12,T13(FM検波部)の調整のみ。SSGなどなくても、最新のリグからFM変調送信して、音質と音量が最大になるポイントを探せばOK。
https://jg1bvx.com/archives/18669
R80はここにあります。

R80をいったん外して、56kΩの抵抗を継ぎ足し戻しました。IC-7300Mで聞きながらT12, T13を回すと、確かに音量・音質が変わります。適宜調整して完了。
RJX-601のケースを開けると、懐かしい「ラジオのにおい」がします。当時の青年ハムたちも、この匂いを嗅ぎながら調整やら改造やらをやっていたのでしょう。そして、単2電池を9本も入れたRJX-601を担いで、丘の上からCQを出していたのでしょうね。
やっぱりカッコイイですよね。。大事に使っていきたいと思います。

(2021-01-24 記)

[…] (5) 個人的なアマチュア無線活動は浅く広くという感じですが、JT65以降のデジタルモードや、D-STARやDMRといった新しい技術についてはそれなりに勉強しているつもりです(例:新デジタルモード「Q65」)。実は無線機の素人修理も好きだったりします(TM-702、TM-741S、RJX-601等)。皆さんのご参考(と自分の備忘録)になればと思い、できるだけ詳しいブログ記事を残すようにしています。 […]